Moin Benny,
Leider finde ich den Bitrag nicht wieder und auch das Menü "Suchen" findet ihn nicht.
Mmmh, leider erinnere ich mich an den Beitrag nicht. Insofern kann ich nicht helfen. Dennoch: sollte man sich zum Thema Dachstromabnehmer nicht mal grundsätzlich Gedanken machen
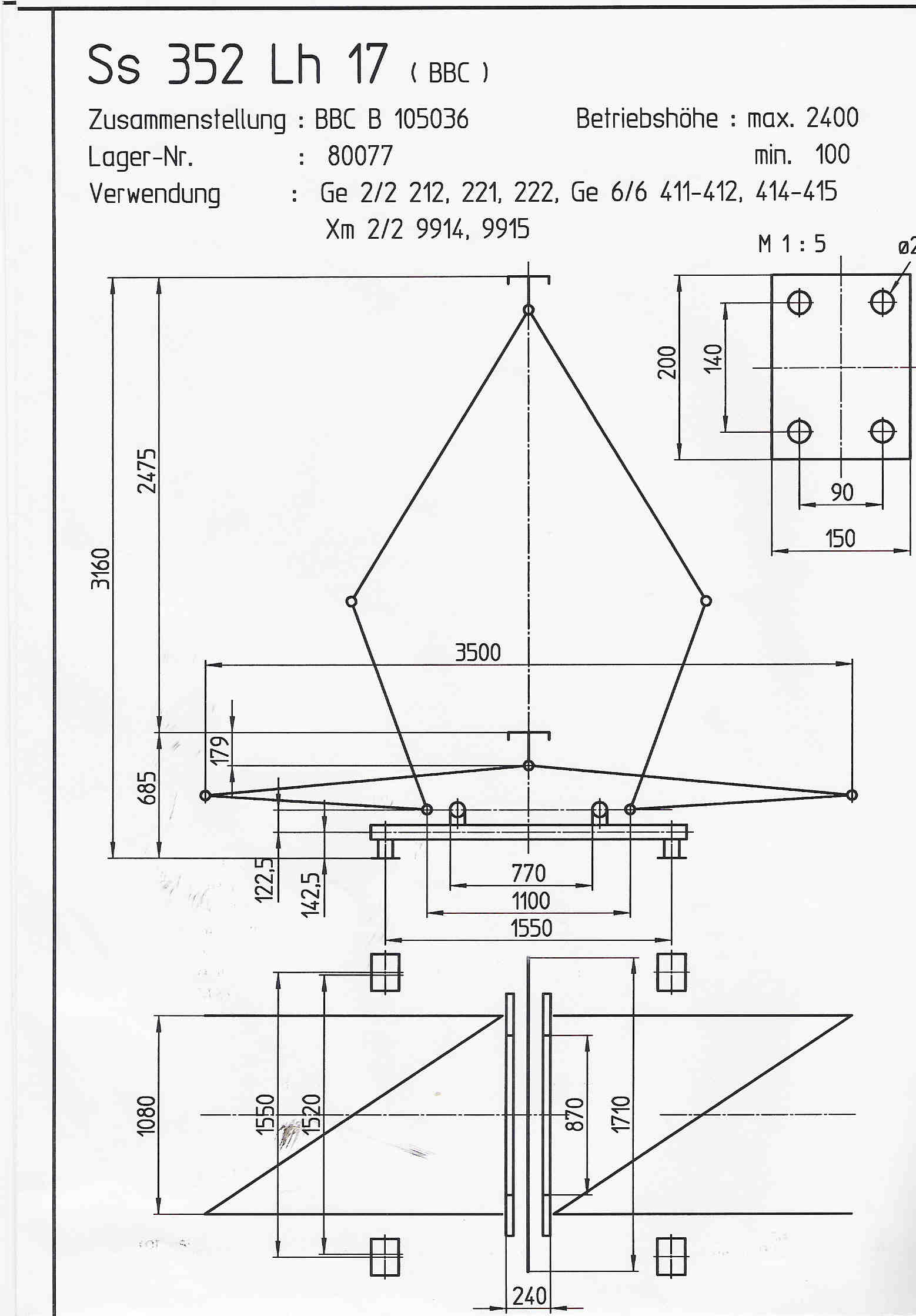
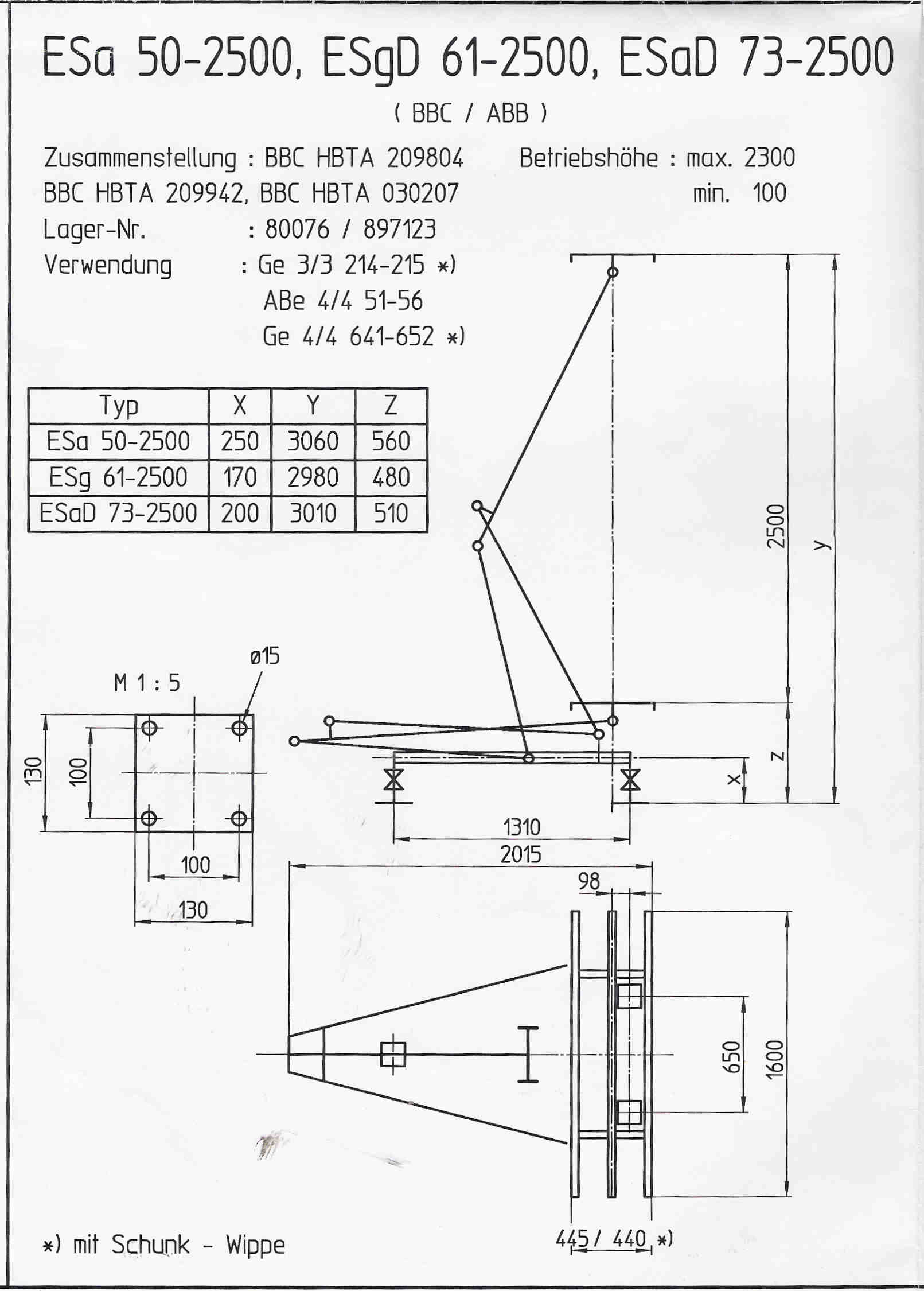
Zumindest die Scherenstromabnehmer aus der Lebkuchenstadt sind viel zu kurz. Die Einholmstromabnehmer vermutlich auch. Auch fehlen einige Details, z.B. die Mechanik, die die Wippe in der Waagerachten hält. An den Kiss-Lokomotiven wurde diese Detail z.B. ergänzt. Aber damit werden diese natürlich auch nicht größer.
Wenn man sich die Stromabnehmer genau anschaut, müsste es eigentlich möglich sein, diese nach bzw. selber besser (= massstäblich) zu bauen. Vielleicht aus einer Kombination von Ätzteilen und Rundmaterial ?

Würde mich freuen, wenn sich ein Buntbahner dieser Thematik annehmen würde.
Soweit von mir zu diesem Thema. Deine Frage ist damit natürlich noch nicht beantwortet. Sorry.
Grüße vom Stoffel
