Messen von Radreifenprofil
Moderator: fido
-
Mattelmann
- Beiträge: 14
- Registriert: So 13. Jan 2008, 10:08
Messen von Radreifenprofil
Hallo,
Ich benötige für die Spur 1e die Maße des Radreifenprofils der Firma Hübner. Also Spurkranzhöhe, Spurkranzbreite, Radreifenbreite usw. mit sämtlichen Winkeln und Radien. Da offenbar kein Mensch die genauen Maße kennt, bleibt nur das Abnehmen der Maße an einem original Hübner-Radreifen. Nun meine Frage: Wie und mit welchen Hilfsmitteln kann man ein Radreifenprofil exakt messen?
Gruß Matthias
Ich benötige für die Spur 1e die Maße des Radreifenprofils der Firma Hübner. Also Spurkranzhöhe, Spurkranzbreite, Radreifenbreite usw. mit sämtlichen Winkeln und Radien. Da offenbar kein Mensch die genauen Maße kennt, bleibt nur das Abnehmen der Maße an einem original Hübner-Radreifen. Nun meine Frage: Wie und mit welchen Hilfsmitteln kann man ein Radreifenprofil exakt messen?
Gruß Matthias
Re: Messen von Radreifenprofil
...
Zuletzt geändert von mf-pur am Do 19. Okt 2017, 06:35, insgesamt 1-mal geändert.
- Thomas Engel
- Buntbahner

- Beiträge: 470
- Registriert: Do 5. Jun 2003, 17:26
- Wohnort: Solingen, an der Ätzmaschine
- Kontaktdaten:
Re: Messen von Radreifenprofil
MF-Pur hat geschrieben: dafür braucht man eigentlich einen 3D-Messplatz.
Du kannst dies auch etwas einfacher machen:
- Rad(reifen) durchschneiden, so dass nach Planen und Entgraten eine exakte Hälfte vorhanden ist.
- Schnittfläche mit Referenzmaß auf einen (Büro-)Scanner legen oder mit (Makro-)Fotoapparat mittels Stativ rechtwinklig ausgerichtet höchstaufgelöst ablichten.
- Bild im 2D CAD Programm einfügen, auf das fotografierte Referenzmaß skalieren und vermessen.
Falls Du kein 2D CAD Programm hast: MeinTipp ist Librecad.
Grüßle
Unsere Seite über Beschilderung und Ätztechnik - 1:1 und im Modell : www.AeHC.de
Re: Messen von Radreifenprofil
Hallo Matthias,
hat Hübner seine Räder nicht nach NEM310 gefertigt?
Die Norm findest du bei der MOROP.
Volker
hat Hübner seine Räder nicht nach NEM310 gefertigt?
Die Norm findest du bei der MOROP.
Volker
-
Dampfpferd-alt
- Buntbahner
- Beiträge: 79
- Registriert: Sa 27. Aug 2011, 16:07
- Wohnort: 71549
Re: Messen von Radreifenprofil
Hallo Mathias!
Warum soll das Reifenprofil vermessen werden?Wenn ich das Profil mir ansehe, so wird es
schwierig sein einen Drehstahl anzuschleifen der diesem Profil entspricht.Das eine ist die Theorie, das andere die Praxis.Ich würde den Spurkranz so hoch ausführen wie möglich
(Norm Mass D).Bei geradem Gleis spielt die Spurkranzhöhe keine Rolle,im Radius aber schon.
Selbst wenn die Räder CNC gedreht werden bin ich mir nicht sicher ob das Profil so ausgeführt wird wie in der Norm augezeichnet.
Mein Radreifen ist auch abgebildet und habe keine Probleme damit.
mfg
Norbert
Radreifen (Dampfpferd)

Radreifen (Dampfpferd)

Warum soll das Reifenprofil vermessen werden?Wenn ich das Profil mir ansehe, so wird es
schwierig sein einen Drehstahl anzuschleifen der diesem Profil entspricht.Das eine ist die Theorie, das andere die Praxis.Ich würde den Spurkranz so hoch ausführen wie möglich
(Norm Mass D).Bei geradem Gleis spielt die Spurkranzhöhe keine Rolle,im Radius aber schon.
Selbst wenn die Räder CNC gedreht werden bin ich mir nicht sicher ob das Profil so ausgeführt wird wie in der Norm augezeichnet.
Mein Radreifen ist auch abgebildet und habe keine Probleme damit.
mfg
Norbert
Radreifen (Dampfpferd)

Radreifen (Dampfpferd)

-
Mattelmann
- Beiträge: 14
- Registriert: So 13. Jan 2008, 10:08
Re: Messen von Radreifenprofil
Vielen Dank für eure Antworten.
Hübner hat sich in 1e nicht an die (unmaßstäbliche) NEM gehalten und seine am Vorbild orientierte Hausnorm hat sich durchgesetzt. (Hegob, Henke, Dingler und KM1)
Auf die Idee einen Radreifen zu teilen und dann auf den scanner zu legen, war ich auch schon gekommen. Da müßte man allerdings extrem sauber arbeiten.
Der Vorschlag den Radreifen mit 3D Meßtechnik zu vermessen, gefällt mir am besten. Man könnte ihn ja auch scannen lassen und dann in einem 3D CAD Programm exakt vermessen. Dazu wäre nur ein einziges Referenzmaß nötig (Radreifenbreite bietet sich da an).
Guten Rutsch
Matthias
Hübner hat sich in 1e nicht an die (unmaßstäbliche) NEM gehalten und seine am Vorbild orientierte Hausnorm hat sich durchgesetzt. (Hegob, Henke, Dingler und KM1)
Auf die Idee einen Radreifen zu teilen und dann auf den scanner zu legen, war ich auch schon gekommen. Da müßte man allerdings extrem sauber arbeiten.
Der Vorschlag den Radreifen mit 3D Meßtechnik zu vermessen, gefällt mir am besten. Man könnte ihn ja auch scannen lassen und dann in einem 3D CAD Programm exakt vermessen. Dazu wäre nur ein einziges Referenzmaß nötig (Radreifenbreite bietet sich da an).
Guten Rutsch
Matthias
- Torsten Schoening
- Buntbahner

- Beiträge: 372
- Registriert: Mo 17. Mär 2003, 09:24
- Wohnort: Dresden
- Kontaktdaten:
Re: Messen von Radreifenprofil
Hallo Matthias,
mal ehrlich, mit Winkelmesser, Radienlehren und Messschieber kann man die Maße auch abnehmen...es muss kein 3D-Messmaschine sein, zumal es ein simples 2D-Profil ist. Man braucht auch keine 5achs-Fräsmaschine um diese Radreifen-Profile herzustellen....
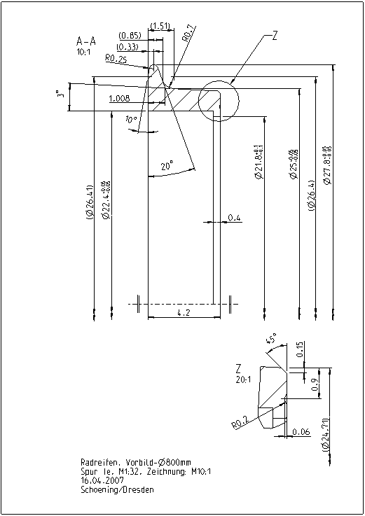
Auf der Anlage in Schönfeld bei Annaberg sind sehr viele Ie-Fahrzeuge von Hübner im Einsatz. Die Altbau-/Einheitsloks haben nach gewisser Zeit komplett neue Fahrwerke bekommen, für solch einen Ausstellungs-Einsatz sind die Fahrzeuge einfach nicht gedacht. Diese Antriebe hat Herr Heinrich aus Meißen angefertigt, die Zeichnungen für die Radreifen stammen von mir, die Maße habe ich wie oben beschrieben ermittelt. Die Fahrzeuge laufen sicher. Auf der Hamburger Ie-Modulanlage sind Fahrzeuge mit diesem Radprofil ebenfalls im Einsatz. Die Zeichnung ist im Anhang.
Gruß
Torsten
Radreifen Ie (Torsten)

mal ehrlich, mit Winkelmesser, Radienlehren und Messschieber kann man die Maße auch abnehmen...es muss kein 3D-Messmaschine sein, zumal es ein simples 2D-Profil ist. Man braucht auch keine 5achs-Fräsmaschine um diese Radreifen-Profile herzustellen....
Auf der Anlage in Schönfeld bei Annaberg sind sehr viele Ie-Fahrzeuge von Hübner im Einsatz. Die Altbau-/Einheitsloks haben nach gewisser Zeit komplett neue Fahrwerke bekommen, für solch einen Ausstellungs-Einsatz sind die Fahrzeuge einfach nicht gedacht. Diese Antriebe hat Herr Heinrich aus Meißen angefertigt, die Zeichnungen für die Radreifen stammen von mir, die Maße habe ich wie oben beschrieben ermittelt. Die Fahrzeuge laufen sicher. Auf der Hamburger Ie-Modulanlage sind Fahrzeuge mit diesem Radprofil ebenfalls im Einsatz. Die Zeichnung ist im Anhang.
Gruß
Torsten
Radreifen Ie (Torsten)

Zuletzt geändert von Torsten Schoening am Mi 4. Jan 2017, 11:17, insgesamt 3-mal geändert.
Modellbau aus Leidenschaft
Re: Messen von Radreifenprofil
Hallo Torsten,
ich bin angemeldet und sehe keine Zeichnung.
Gruß Alfred
ich bin angemeldet und sehe keine Zeichnung.
Gruß Alfred
Re: Messen von Radreifenprofil
Hallo Torsten,
jetzt sehe ich sie auch. Ich hatte mich mit dem Handy eingeloggt und es könnte auch daran gelegen haben. Wenn ich mich mit dem Handy einlogge, dann werden manchmal auch nicht alle Fotos angezeigt.
Gruß Alfred
jetzt sehe ich sie auch. Ich hatte mich mit dem Handy eingeloggt und es könnte auch daran gelegen haben. Wenn ich mich mit dem Handy einlogge, dann werden manchmal auch nicht alle Fotos angezeigt.
Gruß Alfred
Re: Messen von Radreifenprofil
Hallo zusammen,
es gibt bei uns in der Schweiz einen Feinmech. der ein Drehmeissel als Negativrad für die Spur Null anbietet. Ich fragte ihn einmal nach dem selben Prinzip für llm.
Falls ein einheitliches Mass gefunden werden könnte, würde es sich lohnen, solche herzustellen.
Die "Drehräder" sind gehärtet und wenn sie nicht mehr schneiden, können sie nur in der Flucht wiederum geschliffen werden. Das Profil ist ja rundherum immer das Gleiche.
Das Resultat also auch!
Genial einfach, Genial gut !!
Viele Grüsse vom Zürichsee
René
RhB_1
es gibt bei uns in der Schweiz einen Feinmech. der ein Drehmeissel als Negativrad für die Spur Null anbietet. Ich fragte ihn einmal nach dem selben Prinzip für llm.
Falls ein einheitliches Mass gefunden werden könnte, würde es sich lohnen, solche herzustellen.
Die "Drehräder" sind gehärtet und wenn sie nicht mehr schneiden, können sie nur in der Flucht wiederum geschliffen werden. Das Profil ist ja rundherum immer das Gleiche.
Das Resultat also auch!
Genial einfach, Genial gut !!
Viele Grüsse vom Zürichsee
René
RhB_1

