Fahrrichtunganzeiger

Elektronisches und digitales - Bitte keine Fragen zum MZS

Moderator: fido

Antworten
Benutzeravatar
Frits
Beiträge: 2
Registriert: Di 19. Jul 2005, 20:55
Wohnort: Munnekeburen (NL)

Fahrrichtunganzeiger

Beitrag von Frits »

Hallo,

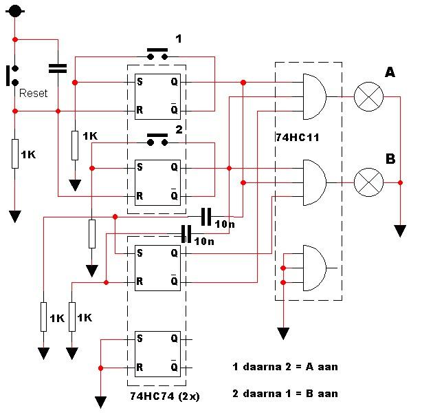
Für derjenige der das brauchen kann, hierbei ein Schema von einem Fahrrichtunganzeiger.
Es funktioniert so: Taste 1 und danach Taste 2 drücken: A brennt.
Taste 2 und danach Taste 1 drücken: B brennt.
Reset betätigen und beide Lämpchen sind aus.

Grüße

Frits
Dateianhänge
drukknop.jpg
Antworten